Zx Spectrum Issue 2 Schematic

Hardware Z00m S Speccy Corner Hardware Z00m S Speccy Corner

The latter covers the issue 2 and 3 spectrums and is related to the board layout diagrams available here and here. One for the case assembly and another for the board assembly. Parts lists for the zx spectrum are provided in table form.


Zx Spectrum Pcb Schematics And Layout Spectrum For Everyone Zx Spectrum Pcb Schematics And Layout Spectrum For Everyone

Upper ram is limited to texas instruments ti4532 but oki 3732 can be used with a minor modifcation. It also has provision for the full 48k of ram on the main pcb. This followed the issue 1 quite quickly in august of 1982 and was the first spectrum issue to be laid out using cad tools.


Shared Memory Dump Shared Memory Dump

Issue 1 boards have several defects which are corrected via factory modifications. Fd 1 floppy disc drive. C48 cassette header include.


Directory Vintage Sinclair 82 Sinclair Zx Spectrum Circuit Diagrams Directory Vintage Sinclair 82 Sinclair Zx Spectrum Circuit Diagrams

Zx spectrum 2a 3 schematic redrawn by guesser for 3 delete. Ear 2 mic 98 nmtr 33 ndwr 36 ndrd 35 strb 47 busy 1 prnt 34 vcc2 91 vcc1 41 gnd1 15 gnd2 40 gnd3 66 gnd4 90 ic1 11 vcc. Component layout template of the issue 2 spectrum circuit board issue 3 board schematics.


Struggling To Resurrect My 2 Spectrum Computing Forums Struggling To Resurrect My 2 Spectrum Computing Forums

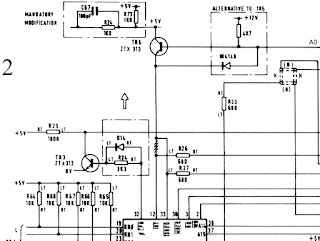
Schematic diagram of the issue 2 spectrum circuit board issue 2 component layout. Issue 2 board schematics. Schematics component layouts and port connector pin outs.


Zx Spectrum Issue 7 Zx Spectrum Issue 7

Zx spectrum technical section. 1 2 ic15e reset 1 strobe 2 d0 3 d1 4 d2 5 d3 6 d4 7 d5 8 d6 9 d7 10 nc 11 busy 12 nc 13 nc 14 gnd 15 nc 16 gnd 17 nc 19 gnd 20 gnd 21 gnd 22 gnd 23 gnd 24 gnd 25 gnd 26 gnd 27 nc 28 gnd 29 nc 30 nc 31 nc 32 nc 33 gnd 34 nc 35 nc printer connector upper lower 0v 3 4 ic15f 330pf c53 0v expansion connector upper zx spectrum 2b schematic for 2b. The zx spectrum 2b issue 2 motherboard pdf file.


Zx Spectrum Issue 7

Making them eqivalent to the issue 2 motherboard.

Zx spectrum issue 2 schematic. Zx spectrum pcb schematics and layout. Here you ll find schematic and layout information for various models of the zx spectrum. Issue 1 schematics and layout pdf. 128 issue 6u analogue and digital side schematics 2 z70500 issue 3 power section and main pcb schematics.

The zx spectrum 2b issue 1 motherboard pdf file. Re draw revision 17 updated 2020 01 23. This schematic describes the circuit of a 2b with a z70833 issue 1 motherboard. Some boards have factory fitted modifications.



Zx Spectrum 128k Schematics Poster Zx Spectrum 128k Schematics Poster

Some boards have factory fitted modifications. This schematic describes the circuit of a 2b with a z70833 issue 1 motherboard. Re draw revision 17 updated 2020 01 23.


Tynemouth Software January 2017 Tynemouth Software January 2017

The zx spectrum 2b issue 1 motherboard pdf file. 128 issue 6u analogue and digital side schematics 2 z70500 issue 3 power section and main pcb schematics. Issue 1 schematics and layout pdf.


1000 Bit Computer S Description 1000 Bit Computer S Description

Here you ll find schematic and layout information for various models of the zx spectrum. Zx spectrum pcb schematics and layout.


Https Spectrumforeveryone Com Wp Content Uploads 2017 08 Zx Interface 1 2 Microdrive Service Manual Pdf Https Spectrumforeveryone Com Wp Content Uploads 2017 08 Zx Interface 1 2 Microdrive Service Manual Pdf
8 16 Bit Computer Repairs And Mods Zx Spectrum 16k 48k And Plus 8 16 Bit Computer Repairs And Mods Zx Spectrum 16k 48k And Plus
Sram Replacement For Zx Spectrum Lower 16k Sram Replacement For Zx Spectrum Lower 16k
Superfo Harlequin 128k Superfo Harlequin 128k
Hw Speccy Cz Hw Speccy Cz
Tynemouth Software Zx Spectrum Issue 2 Testing With Divmmc Future Tynemouth Software Zx Spectrum Issue 2 Testing With Divmmc Future
Sinclair Spectrum Service Manual Sinclair Spectrum Service Manual
Issue 4s Board Nasty Problem Sinclair Zx80 Zx81 Z88 Forums Issue 4s Board Nasty Problem Sinclair Zx80 Zx81 Z88 Forums
The Lil Old Zx Spectrum 48k Service Manual Section 1 The Lil Old Zx Spectrum 48k Service Manual Section 1
The Lil Old Zx Spectrum 48k Service Manual Supplement No 2 The Lil Old Zx Spectrum 48k Service Manual Supplement No 2
Divide History Divide History
Source : pinterest.com